반응형
1. 사용자 코드는 주석으로 처리되어 있는 "/* USER CODE ... */" 에 입력하시면
하드웨어 변경 시에도 계속 남아 있습니다.
2. Generate Code로 생성된 부분은 가급적 건들지 않는 것이 좋습니다.
위에 언급한 대로 하드웨어 변경해서 Generate Code 하면 변경됩니다.
3. 확장자가 ioc 인 화일을 열어 보면 "노란색"으로 된어 있는 부분이나 "빨간색"으로 되어 있는 부분이 있습니다.
"노란색"은 더블 클릭해서 자세히 보면 그 안에 다시 "노란색"으로 표시되어 있는 것이 보입니다.
거기에 마우스 커서를 갇다 대면 회색으로 주의사항이 나옵니다. 대부분은 무시해도 상관 없어 보입니다.

"붉은색"은 기능을 사용하지 못하는 것으로 위와 같은 방식으로 확인 할 수 있습니다.

잘 안되는 경우 옆의 드롭다운을 선택한 후에 다시 커서를 이동하면 나옵니다.
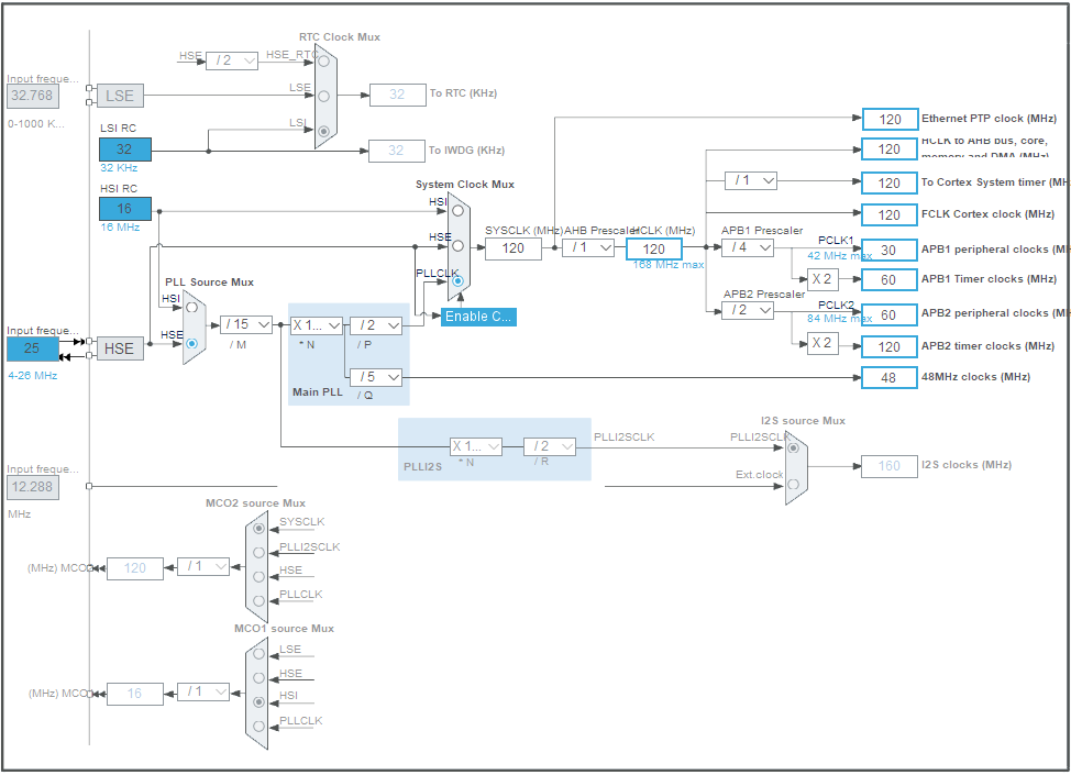
4. Clock Configuration 의 경우 System Core에 있는 RCC를 설정해야 원하는 것을 선택할 수 있습니다.


반응형
'Embeded' 카테고리의 다른 글
| STM32CubeIDE (0) | 2019.05.14 |
|---|---|
| dmesg log 초기화 (0) | 2014.03.12 |
| decodebin 사용시 (0) | 2014.03.07 |
| gstreamer 사용하기 (0) | 2014.03.07 |
| IAR로 STM32 컴파일시 오류 (0) | 2013.03.06 |